您好 ,  欢迎来到59598晟江工业品 登录后可利用更多便捷功能 会员中心  | 新会员注册 [退出]
保温夹套式球阀
基本参数
本体材质
不锈钢
尺寸范围
1/2寸~4寸
螺纹标准
BSPP
连接方式
法兰连接
  • 已选总价:¥0.00
  • 已选数量:0
所有费用均已包含增值税,不含运费。运费详情请参阅运费指导书。
其他类似产品
名称
平焊带颈法兰
¥0.0 起
名称
凸面螺纹法兰
¥0.0 起
名称
平焊法兰
¥0.0 起
名称
端钳光滑管尾
¥0.0 起
名称
法兰盖盲板
¥0.0 起
名称
普格光滑管尾
¥0.0 起
产品详情与编号
序号 产品编号 名称 规格尺寸 本体材质 售价 订购数量
  全部
全部
全部
全部
   
0.0 0412141403 不锈钢保温夹套式球阀 1寸 不锈钢 询价
0.0 0412141402 不锈钢保温夹套式球阀 3/4寸 不锈钢 询价
0.0 0412141406 不锈钢保温夹套式球阀 2寸 不锈钢 询价
0.0 0412141405 不锈钢保温夹套式球阀 1-1/2寸 不锈钢 询价
0.0 0412141401 不锈钢保温夹套式球阀 1/2寸 不锈钢 询价
0.0 0412141404 不锈钢保温夹套式球阀 1-1/4寸 不锈钢 询价
0.0 0412141407 不锈钢保温夹套式球阀 2-1/2寸 不锈钢 询价
0.0 0412141408 不锈钢保温夹套式球阀 3寸 不锈钢 询价
0.0 0412141409 不锈钢保温夹套式球阀 4寸 不锈钢 询价
注:本公司对上述参数保有最终解释权,如若变动,恕不通知。
保温球阀型号;球阀款式
产品描述
  • 设计参照:ASME B16.34,API 608
  • 测试参照:API598
  • 温度:-29℃~180℃
  • 介质:水、油、气及某些腐蚀性液体
  • 法兰:ASME B16.5
    有带锁装置可选择,有带ISO5211 操作机构安装台可选择。
球阀带法兰;法兰式球阀
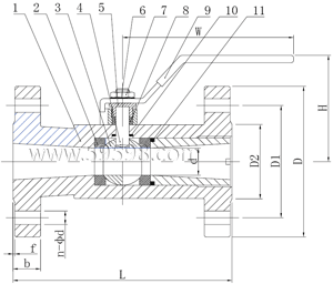
SIZ L D D1 D2 d f d h w n-φd
1/2" 92 95 65 45 14 2 12.5 70 130 4-14
3/4" 105 105 75 55 14 2 15 75 130 4-14
1" 110 115 85 65 16 2 20 82 155 4-14
1 1/4" 125 135 100 75 18 2 58 100 165 4-18
1 1/2" 135 145 110 85 18 3 32 115 180 4-18
2" 155 160 125 100 18 3 40 115 195 4-18
2 1/2" 170 180 145 120 20 3 49 150 250 4-18
3" 190 195 160 135 20 3 64 155 250 8-18
4" 210 215 180 155 20 3 78 155 290 8-18


部件标号 部件名称 材质
1 阀体 WCB / CF8 / CF8M
2 阀座 增强聚四氟乙烯
3 F304 / F316
4 阀杆 F304 / F316
5 阀杆螺帽 F304 / F316
6 弹簧垫 不锈钢
7 压盖螺母 A194 8
8 阀杆填料 聚四氟乙烯
9 手柄 SS 304+PVC
10 密封垫 聚四氟乙烯
11 密封垫 聚四氟乙烯
1.请确保阀门在合适的工况中使用。
2.阀门安装前,请确保清除流体中的杂质,否则可能造面密封面损坏。
3.阀门安装前,务必先清除产品及阀门端面上的防护包装物。
4.阀门安装时,请确保螺纹部分生带合理使用量,否则可能造成阀门与管道连接处泄露。
5.阀门安装完成后,请确保连接管道没有对阀门形成拉伸,否则会造成对阀门螺纹的损坏。
6.阀门投入使用前,请对管道进行压力测试以确保所有的连接处无泄露。
7.阀门使用期间,请确保阀门打开与关闭的扭矩不应超过30Nm。
8.请定期检查维护阀门,以确保阀门正常工作。
Copyright ©2012 SME Corporation All Rights Reserved
ICP备案证书号:沪ICP备10013497号-1··上海工商
晟江工业品|快速接头|工业软管|软管总成|阀门仪表